Nákup na E-shopu je možný pouze pro podnikatele a právnické osoby.

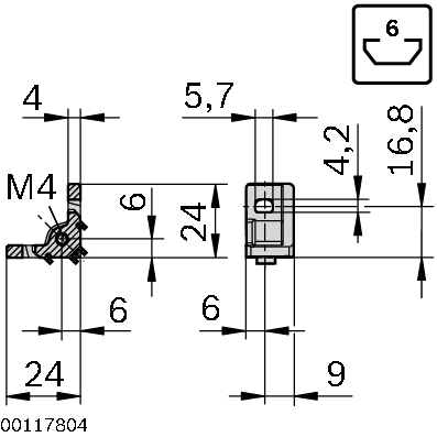
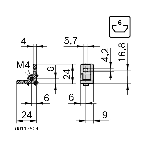
Úhel S, ESD, 3842536489, 20x20, (1ks)

Kód produktu:
BZ536489
Výrobce:
Bosch Rexroth, spol. s r.o.
Dostupnost:
skladem
30,94 
37,44 Kč s DPH
ks

Úhelník se závitem pro téměř bezštěrbinové uchycení plošných prvků

Pro dodatečné zabudování do uzavřených rámových konstrukcí

Realizovat lze různé montážní polohy plošného prvku: v jedné rovině s hranou profilu nebo jako ležící před profilem (vylomením vystřeďovacího výstupku)

Barva: stříbrná