Nákup na E-shopu je možný pouze pro podnikatele a právnické osoby.

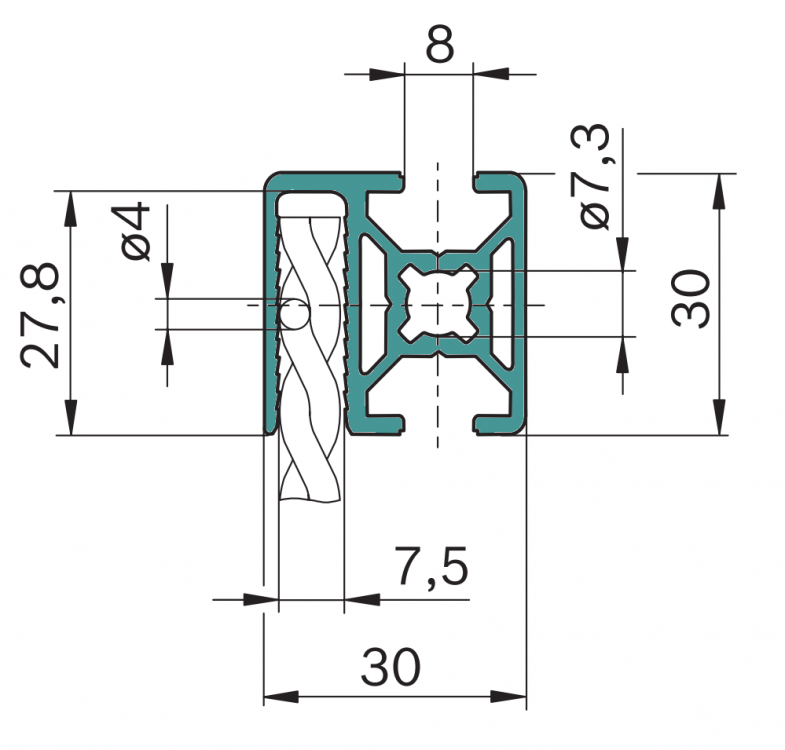
Hliníkový, konstrukční profil pro oplocení, 3842557229, 30x30 WG40, Balení (20ks)

Kód produktu:
BZ557229-B
Výrobce:
Bosch Rexroth, spol. s r.o.
Dostupnost:
do 15 dní
43 086,16 
52 134,25 Kč s DPH
balení

Materiál: eloxovaný hliník

Příslušenství: Krytka konce profilu černá plast, 3842522345, 30x30WG s otvorem